华体会官方网页版

华体会官方网页版 行业资讯 政策法规 产业市场 节能技术 能源信息 宏观环境 会议会展 活动图库 资料下载 焦点专题 智囊团 企业库
政策法规  节能产业网 >> 政策法规 >> 通知公告 >> 正文
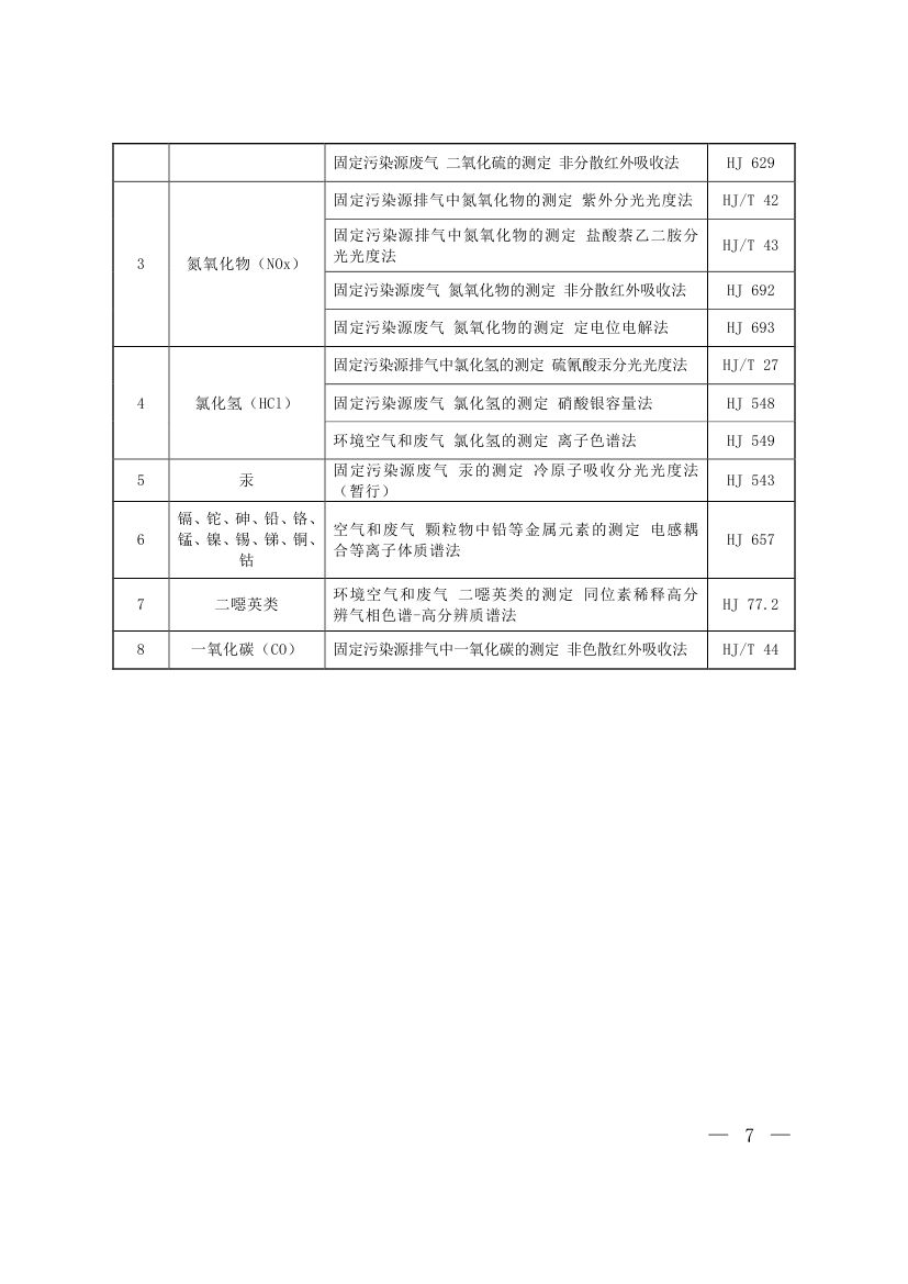
生态环境部发布《生活垃圾焚烧污染控制标准》(GB 18485-2014)修改单
来源:北极星电力网 时间:2019/12/31 7:49:16 用手机浏览

:北极星电力网获悉,生态环境部近日发布了《生活垃圾焚烧污染控制标准》(GB 18485-2014)修改单的公告,国核安发〔2019〕258号,详情如下:


为贯彻《中华人民共和国环境保护法》《中华人民共和国固体废物污染环境防治法》,防治污染,保护和改善生态环境,现批准《生活垃圾焚烧污染控制标准》(GB 18485-2014)修改单,并由生态环境部与国家市场监督管理总局联合发布。


该标准修改单自2020年1月1日起实施。

特此公告。

(此公告业经国家市场监督管理总局田世宏会签)

附件:《生活垃圾焚烧污染控制标准》(GB 18485-2014)修改单

生态环境部

2019年11月21日


抄送:各省、自治区、直辖市生态环境厅(局),新疆生产建设兵团生态环境局,中国环境监测总站,环境标准研究所。


生态环境部办公厅2019年12月20日印发



分享到:
华体会官方网页版相关的文章 iTAG:
没有华体会官方网页版相关的文章
频道推荐
服务中心
微信公众号

CESI
关于本站
版权声明
广告投放
网站帮助
leyu·乐鱼(中国)体育官方网站-Leyu Sports
网站服务
会员服务
最新项目
资金服务
园区招商
展会合作
节能产业网是以互联网+节能为核心构建的线上线下相结合的一站式节能服务平台。
©2007-2019 CHINA-ESI.COM
鄂ICP备19009381号-2
节能QQ群:39847109
顶部微信二维码底部
扫描二维码关注官方公众微信