华体会官方网页版

华体会官方网页版 行业资讯 政策法规 产业市场 节能技术 能源信息 宏观环境 会议会展 活动图库 资料下载 焦点专题 智囊团 企业库
节能技术  中国节能产业网 >> 节能技术 >> 节能知识 >> 正文
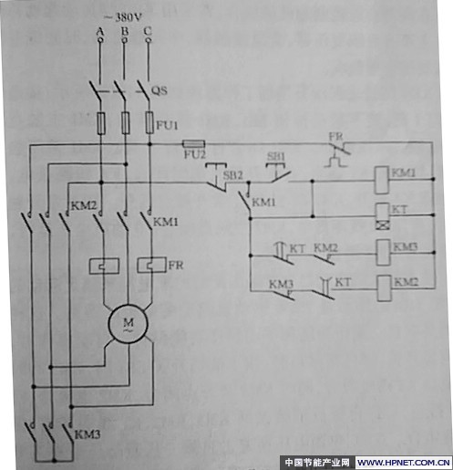
用三个接触器实现星三角启动原理图
来源:中国节能产业网 时间:2009-3-26 10:47:49 用手机浏览

  启动过程及控制原理说明:

  将开关QS闭合,按下启动按钮SB1,主接触器线圈KM1得电,主接触器KM1吸合, 同时接主接触器常开触点KM1闭合,松开按键SB1时,常开触点KM1已经吸合,使SB1形成自锁,主接触器线圈KM1继续有电(如图1);

三个接触器实现星三角启动原理图

图1:三个接触器实现星三角启动原理图

  主接触器常开触点KM1闭合时,时间继电器常闭触点KT是闭合的,所以星型接触器的线圈KM3得电,此时主接触器KM1和星型接触器KM3吸合,电动机启动,在220V星型状态运行;

  在主接触器常开触点KM1闭合的同时时间继电器KT线圈得电,延时闭合常开触点KT在时间继电器设定得电闭合时间内闭合,时间继电器常闭触点KT断开,使三角型接触器线圈KM2得电,三角型接触器KM2吸合,星型接触器KM2断开,此时电动机工作在380V三角型接线状态;

  线圈KM3前串入KM2和一组触点和KM2前串入KM3的一组触点是为了保护安全。使任何情况下接触器KM2和KM3主有一个在运行。

  接下停止按钮SB2,所有线图都不得电,所有主接触器断开,电动机停止运行。


分享到:
华体会官方网页版相关的文章 iTAG:
电动机保护用的断路器应如何选配?
电学常识:电路中相关计算公式
加电阻会耗电吗?是不是越大耗电越小
什么叫电流、电压和电阻?
什么是相电压、相电流?线电压、线电流?
电工知识基础
企业节约用电有以下主要途径
电气常识--谐波
频道推荐
服务中心
微信公众号

CESI
关于本站
版权声明
广告投放
网站帮助
leyu·乐鱼(中国)体育官方网站-Leyu Sports
网站服务
会员服务
最新项目
资金服务
园区招商
展会合作
中国节能产业网是以互联网+节能为核心构建的线上线下相结合的一站式节能服务平台。
©2007-2016 CHINA-ESI.COM
鄂ICP备16002099号
节能QQ群:39847109
顶部微信二维码底部
扫描二维码关注官方公众微信